当前位置:
首页
>
专题专栏
>
热点专题
>
政务公开工作要点
>
全面推进政务公开
>
行政处罚
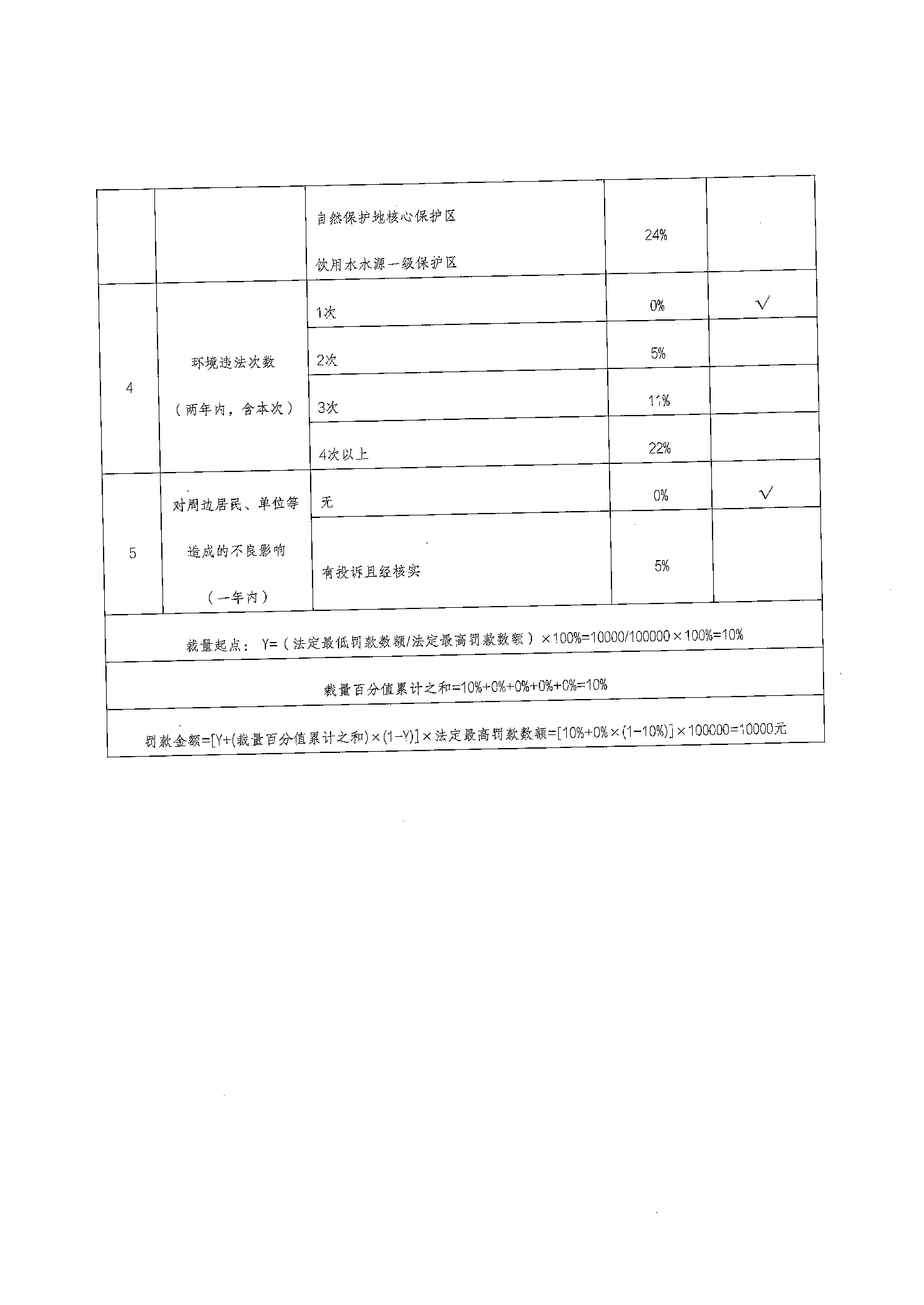
益阳市生态环境局行政处罚决定书 益环罚决字〔2026〕219号 启安建材有限责任公司
作者:
发布时间:2026-03-10 10:44
信息来源:益阳市生态环境局安化分局
浏览量:
责任编辑:益阳市生态环境局安化分局
扫一扫在手机打开当前页
打印
收藏
纠错
关闭