当前位置:
首页
>
信息公开平台
>
政府部门信息公开目录
>
生态环境局安化分局
>
行政执法公示
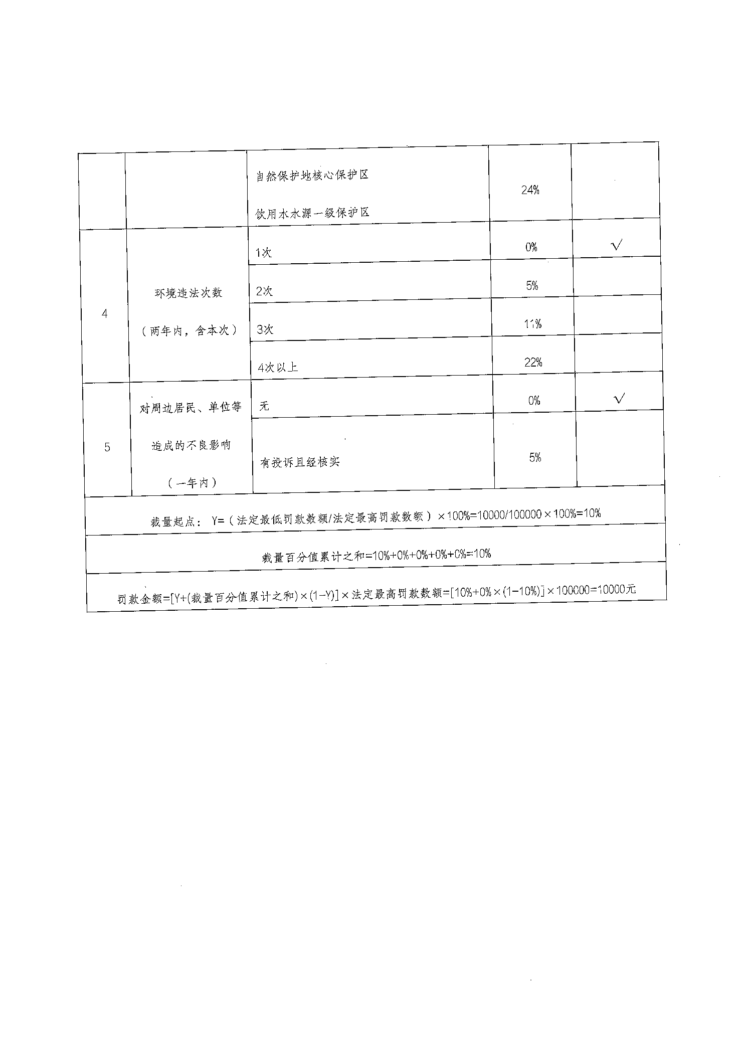
行政处罚决定书 益环罚决字〔2026〕219号 启安建材
作者:
发布时间:2026-03-11 16:13
信息来源:益阳市生态环境局安化分局
浏览量:
责任编辑:益阳市生态环境局安化分局
扫一扫在手机打开当前页
打印
收藏
纠错
关闭